Предыдущая тема :: Следующая тема |
Автор |
Сообщение |
Александр1982 Александр
 Группы:
Репутация: 8
Пол:  Зарегистрирован: 29.09.2008
Возраст: 43
Сообщения: 1020 Откуда: Левобережный-3
1992 ВАЗ 2105
|
Добавлено: Пн Фев 02, 2009 16:15:19 |
|
|
Стоит сигнализация, х знает какая, на брелке написано SUN-I, брелок четырёхкнопочный цветом под дерево. На всех четырёх дверях стоят центральные замки. При постановке на охрану сигналка становится на охрану и ЦЗ закрываются, при снятии с охраны сигналка с охраны снимается а ЦЗ не открываются. Проблема появилась когда наступили морозы (хотя может это и не связано с изменением тепрературы, так, предположение). Справа от руля внизу торпеды возле ручки подсоса стоит какой-то блок сигналки. Блок небольшого размера, немного болше половины сигаретной пачки. Внизу блока есть ручка-ползунок, которой регулировать чувствительность сигналки на удар/вибрацию, справа на блоке есть разьём от котрого идёт три провода (разьем небольшой, похож на разьём компьютерного кулера), цвета проводов по моему чёрный белый и зелёный (не помню точно ). Так вот те провода идет под торпеду. Так вот я не могу понять как такое маленькое хозяйство делает всю работу (импульс на закрытие ЦЗ, импульс на открытие ЦЗ, импульс на сирену, импульс на поворотники). Или под торпедой есть ещё один блок к которому идут те три провода от обнаруженого блока? ЦЗ по идее управляются через реле. Так вот может проблема быть в том что на реле открытия ЦЗ не подаётся питание из за того что питание на него заведёно через чёрный ящик и где-то в цепи хреновый контакт? (Чёрный ящик иногда капризничает, например не включается ближний свет, стоит передёрнуть реле ближнего света и всё ок! Я так понимаю окисляются контакты в разьёме на ЧЯ куда реле вставляется). Короче, хочется услышать ваши предположения есть ли под топредой ещё один блок сигналки с реле на запитку ЦЗ, подключениями сирены, всех концевиков (а их как никак 6 штук), поворотников изамка зажигания. Также принимаются контактные телефоны проверенных товарищей которые могут за деньги решить данную проблему.
P.S: Сори за такой запутанный рассказ. И ещё, один из знакомых говорил что нужно менять сигналку так как она уже старая и с понижением температуры уходят ёмкости и поэтому нет сигнала на срабатывание ЦЗ. Но ведь мы же не ищем лёгких путей
|
|
|
|
 |
dsu Дима
 Группы: Нет Репутация: 31
Пол:  Зарегистрирован: 16.08.2008
Возраст: 48
Сообщения: 3527
1989 ВАЗ 2106
|
Добавлено: Пн Фев 02, 2009 16:43:06 |
|
|
то чего ты видишь с ручкой - это датчик удара.
сама сигналка обычно под торпеду прячется (куда фантизии хватит).
очень удобно в копейках за спидометром прятать.
реле на ЦЗ могут и не стоять. Но вот такая штука как предохранители (имеющие свойство перегорать) там имеются. Но заочно ничего не скажешь ищи блок и тестером вызванивай что к чему.
|
|
|
|
 |
Александр1982 Александр
 Группы:
Репутация: 8
Пол:  Зарегистрирован: 29.09.2008
Возраст: 43
Сообщения: 1020 Откуда: Левобережный-3
1992 ВАЗ 2105
|
Добавлено: Пн Фев 02, 2009 16:48:03 |
|
|
dsu Я забыл написать что когда я не смог открыть ЦЗ и начались танци с бубном с виде стучания ногой по колесу и хаотического многократного нажимания на все кнопки на брелке ЦЗ спустя полчаса всё таки попустило и он открылся
|
|
|
|
 |
dsu Дима
 Группы: Нет Репутация: 31
Пол:  Зарегистрирован: 16.08.2008
Возраст: 48
Сообщения: 3527
1989 ВАЗ 2106
|
Добавлено: Пн Фев 02, 2009 16:50:48 |
|
|
Провода на централку - самые толстые, они обычно на отдельный разьем выводятся. и на них предохранители висят вот их в первую очередь проверь (80% проблема в них). потом тестером проверь как сама сигналка работает (там два переключающих реле стоит (во всяком случае у них такое поведение)). Нет - тогда звони цепи. Но если у тебя замки стоят с 2-я проводами - тогда проблема сто пудов в блоке управления (сигналку под торпедой) или опутывающих проводах
Добавлено спустя 2 минуты 44 секунды:
Александр1982 писал(а): |
ЦЗ спустя полчаса всё таки попустило и он открылся |
разьемы смотри и скрутки, разбери и пропаяй блок управления
проблема в контактах (вернее в их отсутствии). В любом случае вначале найди блок управления и проверь работу его
|
|
|
|
 |
Александр1982 Александр
 Группы:
Репутация: 8
Пол:  Зарегистрирован: 29.09.2008
Возраст: 43
Сообщения: 1020 Откуда: Левобережный-3
1992 ВАЗ 2105
|
Добавлено: Пн Фев 02, 2009 16:59:56 |
|
|
Цитата: |
Но если у тебя замки стоят с 2-я проводами |
То есть ЦЗ могут быть с двумя проводами, импульс по одному - замок открылся, импульс по другому - замок закрылся, я так понимаю? А какие ещё есть варианты ЦЗ, и какие новее а какие старее (в смысле может какие-то лет 10 назад ещё не производились)?
И как реализовано отпирание/запирание в случае если не 2 провода а ....? В приводе ЦЗ логика какая то есть?
|
|
|
|
 |
|
 |
dsu Дима
 Группы: Нет Репутация: 31
Пол:  Зарегистрирован: 16.08.2008
Возраст: 48
Сообщения: 3527
1989 ВАЗ 2106
|
Добавлено: Пн Фев 02, 2009 17:17:23 |
|
|
наиболее распространены с 2-я проводами на оди плюс на один минус - он открыл - наоборот - закрыл. Еще с 3-я проводами есть тогда один на массу а на те два плюсы подаются (но не уверен что с трех проводными это так). В самом блоке стоят две релюхи переключающие. на открвание срабатывает одна, на закрывание - другая. а как они подключаются - зависит он типа ЦЗ. Всего из блока управления - шесть проводов должно выходить (из разьема что управляет ЦЗ). Те что с предохранителями - центральные в релюхах. Они в спокойном состоянии замыкают на один провод при срабатывании - на другой. Вот и вся логика работы
Добавлено спустя 12 минут 39 секунд:
хотя на счет предохранителей где висят - может я и ошибся. Нарисовав сечас схему подключения на листочке - я бы повесил предохранители на другие провода, и тогда ситация была-бы такая как ты описал для 2-х проводных замков. Надо короче вскрывать и звонить - так это годание на кофейной гуще.
|
|
|
|
 |
Александр1982 Александр
 Группы:
Репутация: 8
Пол:  Зарегистрирован: 29.09.2008
Возраст: 43
Сообщения: 1020 Откуда: Левобережный-3
1992 ВАЗ 2105
|
Добавлено: Пн Фев 02, 2009 17:52:32 |
|
|
dsu спасибо тебе что внёс мне ясность как работает вся эта система. С паяльником и тестером немного дружу так что на выходных наверное попробую поковыряться, посмотреть что к чему. Если ничего явного не обнаружу - сигналку на замену
|
|
|
|
 |
Юрец 063 Юра
 Группы:
Репутация: 3
Пол:  Зарегистрирован: 28.08.2007
Возраст: 38
Сообщения: 690
2008 Daewoo Lanos
|
Добавлено: Пн Фев 02, 2009 18:59:17 |
|
|
Александр1982
у тебя когда в ручную замок на водительской двери открываеш/закрываеш, остальные замки реагируют? если да, то ищи блок упрвления замками (еще одна черная коробочка под торпедой). если нет - тогда блок синализации. еще сядь в машину и пооткрыйвай/закрывай двери сигнализацией. замки на открытие щелкают? если да - тогда может замки( механика) подзаедают, а мощи у електрических нехватает. если не щелкают - делай как писал dsu
|
|
|
|
 |
Александр1982 Александр
 Группы:
Репутация: 8
Пол:  Зарегистрирован: 29.09.2008
Возраст: 43
Сообщения: 1020 Откуда: Левобережный-3
1992 ВАЗ 2105
|
Добавлено: Пн Фев 02, 2009 23:14:33 |
|
|
Юрец 063
Когда вручную на водительской двери открываю замок остальные замки не реагируют. Я когда открываю его то через некоторое небольшое время ЦЗ снова закрываются (по моему так сигналка настроена, что если после снятия с охраны не сделать никакого действия, ну там не открыть дверь/капот или не включить зажигание то она снова самаостоятельно становится на охрану). Насколько я понимаю кроме блока сигнализации есть ещё блок управления ЦЗ? А могут ЦЗ непосредственно управляться с блока сигналки? Может у меня нет этого блока? А когда я из машины закрывал/открывал то на закрытие щёлкают и закрываются, а вот на открытие ЦЗ никакой реакции не подают. Повороты только помигают три раза и слышно как какое-то реле где-то под торпедой три раза щёлкнет. Дело в том что неисправность плавающая, они то работают, то нет. И как мне кажется что это связано с температурой в салоне (как мне говорил мой товарищ). Вот например, забрал машину со стоянки, через минуту возле подьезда, пробую закрывать/окрывать - не открывают, потом поехал в Караван, пока доехал в Караван в машине уже Ташкент, в Караване на стоянке всё работает отлично. Ладно, повторюсь ещё с вопросом. На управление ЦЗ кроме блоа сигналки есть дополнительный блок или управление идёт непосредственно с блока сигналки.
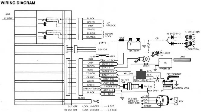
P.S.: Вот покопался в инете и нашел кое-какую схему сигналки. Не берусь утверждать что это моя но всё же...
Описание: |
|
Размер файла: |
44.97 KB |
Просмотрено: |
759 раз(а) |

|
|
|
|
|
 |
dsu Дима
 Группы: Нет Репутация: 31
Пол:  Зарегистрирован: 16.08.2008
Возраст: 48
Сообщения: 3527
1989 ВАЗ 2106
|
Добавлено: Вт Фев 03, 2009 09:02:24 |
|
|
Тебя в этой схеме должен интересовать только самый верхний разьем. Блок управления замками - это роскошь для жигулей. Они в сигналках подобного класса машин встречаются очень редко. Я на на мерсах встречал подобное, если память не изменяет в левой двери он был. У тебя насколько я понял замки напрямую сигналкой управляются. Если говоришь что температурная зависимость есть - в первую очередь сигналку проверяй (блок управления у тебя на схеме самый большой квадратик). Если недалеко от каравана живешь можешь подьехать на перерыв (13:00-14:00) может в живую че подскажу).
|
|
|
|
 |
|
 |
Александр1982 Александр
 Группы:
Репутация: 8
Пол:  Зарегистрирован: 29.09.2008
Возраст: 43
Сообщения: 1020 Откуда: Левобережный-3
1992 ВАЗ 2105
|
Добавлено: Вт Фев 03, 2009 09:29:08 |
|
|
dsu ещё раз спасибо. Покопаюсь, посмотрю, может чё и всплывёт
|
|
|
|
 |
МИХОН Михей
 Группы:
Репутация: 14
Пол:  Зарегистрирован: 23.07.2007
Возраст: 44
Сообщения: 247 Откуда: Днепродзержинск
|
Добавлено: Вт Фев 03, 2009 10:34:18 |
|
|
Значит вставлю свои 5 копеек))) Отдельный блок для управления ЦЗ отнюдь не роскошь и вполне может стоять даже в Жигулях, просто раньше было много сигналок которые давали только импульсы на открытие/закрытие замков (а значит не имели встроенных реле для управления замками) поэтому в принципе не важно какие стоят замки (2-х или 5-ти проводные) у меня например на сигналке есть встроенные релюхи для замков и они управляют еще и блоком замков (остался от старого хозяина), поэтому у тебя он может стоят а может и нет. Теперь что касается замков: что 2-х проводные что 5-ти проводные (экзотику наподобие 3-х проводных, пневмо и т.д. в расчет не берем) управляются по двум проводам, (обычно один синий один зеленый) так вот если например синий+ зеленый- замок открывается, если наоборот синий- зеленый+ закрывается, то есть управляются изменением полярности (только если будешь проверять не держи долго, достаточно на секунду-другую коснуться проводами питания и он сработает), 5-ти проводной точно также 2 провода управления самим замком, а остальные 3 это концевик который расположен внутри замка, один из них это масса (- тобишь) а остальные 2 соответствуют положению замка открыто/закрыто), когда все 5 проводов подключаешь к блоку управления ЦЗ (очень мало встречал сигналок которые без помощи внешнего блока могут работать с 5-ти проводными замками) то когда ты поворачиваешь ключ в замке для того чтобы открыть дверь, ты через тягу штатного замка вытягиваешь шток 5-ти проводного замка в положение ОТКРЫТО и тем самым замыкается контакт массы с одним из контактов описанных выше, тем самым блок управления ЦЗ понимает что нужно подать импульс открытия на все остальные замки, аналогично и тогда когда закрываешь, только в этом случае масса замыкается на другой контакт концевиков.
Скорее всего по описанным тобой симптомам у тебя просто сигналка либо не всегда дает импульс на открытие/закрытие замков, либо его длительность (а это регулируемый параметр сигналки) на холодную имеет отклонение от нужного значения. В любом случае тебе нужно добраться до центрального блочка, проверить наличие блока управления ЦЗ (в таком случае все провода от замков должны сходится к нему) проверить работу замков, ну а дальше уже по обстоятельствам, как правило достаточно бывает "прогреть" плату на паяльной станции (постоянная вибрация и перепады температур делают свое дело) ну или хотя бы пропаять ключевые элементы сигналки.
|
|
|
|
 |
Александр1982 Александр
 Группы:
Репутация: 8
Пол:  Зарегистрирован: 29.09.2008
Возраст: 43
Сообщения: 1020 Откуда: Левобережный-3
1992 ВАЗ 2105
|
Добавлено: Вт Фев 03, 2009 10:57:19 |
|
|
МИХОН
У меня тяги в дверях сняты и поворотом ключа в личинке ЦЗ не управляются. И если вручную открыть замок путём вытаскивания предохранителя (ну пимочка вверху двери возле стекла которая закрывает/открывает дверь) то замки тоже молчат. Исходя из этого можно сделать вывод что ЦЗ у меня двухпроводные и отдельного блока управления ЦЗ нет. Мы уже выяснили все нюансы, осталось только дождаться потепления и поковыряться, посмотреть что к чему. А то сейчас холодно и некомфортно такой работой заниматься. Спасибо тебе, ты тоже внёс мне некоторую ясность в работу системы
|
|
|
|
 |
dsu Дима
 Группы: Нет Репутация: 31
Пол:  Зарегистрирован: 16.08.2008
Возраст: 48
Сообщения: 3527
1989 ВАЗ 2106
|
Добавлено: Вт Фев 03, 2009 14:51:36 |
|
|
МИХОН
и от меня +1
упорядочил и в своих знаниях кое-чего
|
|
|
|
 |
Александр1982 Александр
 Группы:
Репутация: 8
Пол:  Зарегистрирован: 29.09.2008
Возраст: 43
Сообщения: 1020 Откуда: Левобережный-3
1992 ВАЗ 2105
|
Добавлено: Пн Фев 23, 2009 08:54:27 |
|
|
Вчера обнаружил новую фичу в ЦЗ. При поднимании/опускании вручную предохранителя на водительской двери предохранители на остальных 3-х дверях тоже поднимаются/опускаются. При манипуляциях с предохранителями пассажирских дверей такого не происходит. Это значит что у меня кроме блока сигналки есть ещё и блок управления ЦЗ??? Я правильно понял???
P.S.: Вопрос по поводу глюков ЦЗ остаётся открытым. Я так понял нужно искать блок управления ЦЗ. Подскажите пожалуйста товарищи!!!
|
|
|
|
 |
|
 |
dsu Дима
 Группы: Нет Репутация: 31
Пол:  Зарегистрирован: 16.08.2008
Возраст: 48
Сообщения: 3527
1989 ВАЗ 2106
|
Добавлено: Пн Фев 23, 2009 13:39:44 |
|
|
похоже на то
уже давно вскрыл-бы да посмотрел
для начала нужно карточку двери снять
и глянуть сколько проводов торчит с магнита
|
|
|
|
 |
dsu Дима
 Группы: Нет Репутация: 31
Пол:  Зарегистрирован: 16.08.2008
Возраст: 48
Сообщения: 3527
1989 ВАЗ 2106
|
Добавлено: Пн Ноя 30, 2009 10:08:59 |
|
|
ДимЬ)4
подростешь - поймешь. Мир не так прост как кажется и не так сложен как его представляют.
|
|
|
|
 |
Александр1982 Александр
 Группы:
Репутация: 8
Пол:  Зарегистрирован: 29.09.2008
Возраст: 43
Сообщения: 1020 Откуда: Левобережный-3
1992 ВАЗ 2105
|
Добавлено: Пн Ноя 30, 2009 10:30:59 |
|
|
dsu писал(а): |
ДимЬ)4
подростешь - поймешь. Мир не так прост как кажется и не так сложен как его представляют.  |
плюспицот
to ДимЬ)4 уже во всём давным-давно разобрались. Как никак почти год прошел когда проблема возникла. Или ты думаешь что я год с глючным ЦЗ ездил
|
|
|
|
 |
sl@sh Славик
 Группы:
Репутация: 27
Пол:  Зарегистрирован: 07.03.2007
Сообщения: 3115 Откуда: Днепр,Кирова
1978 ВАЗ 21011
|
Добавлено: Пн Ноя 30, 2009 10:39:09 |
|
|
что то в этом есть,всё очень элементарно,стоило всегго поглядеть,займёт 10 мин времени,чем сидеть и жевать эту тему на форуме
|
|
|
|
 |
Red Стас
 Группы:
Репутация: 7
Пол:  Зарегистрирован: 05.09.2007
Возраст: 41
Сообщения: 2267 Откуда: Днепр
|
Добавлено: Пн Ноя 30, 2009 21:40:56 |
|
|
Цитата: |
не посмотрел на дату |
Растрелять!
|
|
|
|
 |
|